本文为 T3-V-PRO 模组 使用者提供了产品硬件信息和设计开发参考。通过本文,您可以对该模组有整体认识,对产品的技术参数有明确了解,进而完成相关功能类产品或设备的应用开发。
接口说明
T3-V-PRO 模组内置 Wi-Fi + Bluetooth LE 无线芯片、语音芯片、一路 SPK 电路(内置功放),一路 MIC 电路,一路 AEC 回采电路。支持豆包、DeepSeek,通义千问、OpenAI、Gemini 等大模型,支持按键唤醒、唤醒词唤醒、随意对话等功能,可以为用户提供生动有趣的 AI 语音交互体验,非常适合于 AI 智能玩具等产品。
模组有 3 路 UART 接口:
模组与 MCU 串口通信
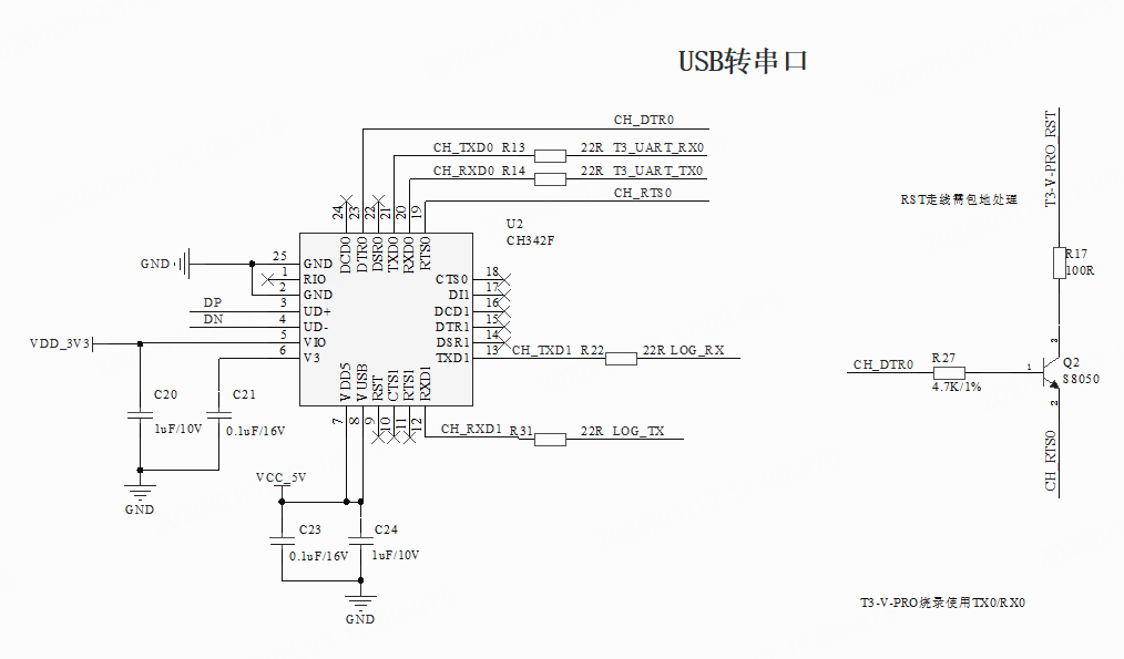
电平转换电路参考
电路设计要求
串口走线需尽量短,周围包地处理,远离射频和周期性信号线。
T3-V-PRO 有一组 SPI 接口,管脚描述:
| 管脚号 |
信号名称 |
功能描述 |
| 33 |
SPI_CSN |
GPIO15,SPI 片选信号 |
| 34 |
SPI_MISO |
GPIO17,SPI 主输入、从输出 |
| 35 |
SPI_SCK |
GPIO14,SPI 接口时钟信号 |
| 36 |
SPI_MOSI |
GPIO16,SPI 主输出、从输入 |
SPI 接口电气特性及接口应用
本模组的 SPI 接口电平为 3.3 V。若您的 MCU 系统电平为 5 V,则需在模组和 MCU 之间增加电平转换器。推荐使用一个支持 SPI 数据速率的电平转换器。参考电路如下图所示:
原理图参考设计



注意事项
天线净空声明
- 天线辐射方向外壳不可使用金属材质、或在塑料壳体表面使用含有金属成分的喷漆和镀层。天线周围避免使用金属螺丝、金属铆钉或其他金属器件影响天线的辐射。
- 顶盖到天线的距离会影响天线的性能。外壳距离天线越远,性能影响越小。
- 上下壳到天线的距离会影响天线的性能。外壳距离天线越远,性能影响越小。
- 模组尽量远离喇叭、电源开关、摄像头、HDMI、USB 等高速信号设备,避免引起干扰。
- 天线附近避免金属遮挡,如有同频信号干扰,需充分评估保证隔离度。
天线放置方式
- 水平放置
模组建议放置在底板边缘,天线朝外,模组 GND 与底板 GND 平齐,并且充分连接。
- 嵌入放置
模组嵌入底板上,在底板上开槽,开槽深度要与模组 GND 齐平或更深,开槽宽度距离模组板边间隔不低于 15 mm。如果开槽宽度继续加宽,性能相应提高,但相较于水平放置模式相对弱些。
- 垂直放置
模组垂直插入底板卡槽内,天线朝上,模组 GND 与底板 GND 充分连接。理想情况下,天线周围净空 ≥15 mm。
Mic 和 Speaker 选型及相关设计方案
-
Mic 选型
- Mic 声学技术指标参考:
- 模拟麦克风:Sensitivity ≥ -38 dBV,SNR ≥ 62 dB,THD ≤ 1%,AOP ≥ 120 dB SPL
- 数字麦克风:Sensitivity = -26±2 dBFS,SNR ≥ 62 dB,THD ≤ 1%,AOP ≥ 120 dB SPL
- 建议优先选 Mems mic(更好的 SNR 和一致性与可靠性)。
- Mic 的频响在 100 Hz ~ 8 kHz 内尽量保持平坦,频响波动 ≤ 3 dB。
- Mic 相位一致性在 100 Hz ~ 4 kHz 频段内,建议相位一致性 ≤ 5°,在 4 kHz ~ 8 kHz 频段内,相位 ≤ 10°。
-
Speaker 选型
- 各频段喇叭单体失真:100 Hz ~ 200 Hz,THD < 8%;200 Hz ~ 400 Hz,THD < 5%;400 Hz ~ 8 KHz,THD < 3%
-
回采和 PA 设计建议
- 回声参考信号靠近喇叭侧,要求在 PA 输出端回采,T3-V-PRO 模组内部已内置 PA 和回采电路。
- 扬声器⾳量最⼤时,输⼊到⻨克的回声参考信号不能有饱和失真,最⼤⾳量下功放输出 THD 满⾜:100 Hz ~ 10 kHz,THD ≤ 1%。
- 最大音量时,扬声器系统的 THD 要求:100 Hz ~ 200 Hz,THD < 8%; 200 Hz ~ 400 Hz,THD < 5%;400 Hz ~ 8 kHz,THD < 3%。
- 扬声器⾳量最⼤时,⻨克风处拾⾳的声压不超过 102dB@1kHz。
- ⾳量最⼤播放时,回采信号峰值 -3 dB 到 -6 dB。
-
AEC 效果验证
- Dump 3 路⾳频(1 路 Mic + AFE 回采 + AEC 消除后的⾳频),再使⽤音频工具软件查看⾳频是否存在饱和、丢数据等问题。
-
Mic 腔体设计
- 壳体上的麦克风 ID 拾音孔至少 > 0.8 mm。
- 壳体上的孔长越短越好,孔的直径越大越好,出音孔的径深比 ≥ 1:3。
- Mic 要远离干扰源(如排风扇)或震动源(如喇叭震动、结构震动)。同时,麦克风需要有硅胶套和固体表面隔绝,起到降低壳体震动传声以及密封的作用。
- 选择尽可能软的硅胶套减小 Mic 和模具之间的震动。
- 拾音孔避免两端小中间大的前腔结构设计,形成谐振腔。
-
Mic 和 Speaker 布板注意事项
- 整机腔体的密封性需要保证 Mic 录⾳不会受到喇叭播放内部回录回震的影响。
- 保证喇叭有单独⾳腔播放,且⻨克⻛与播放腔体完全隔离;部分因结构件产⽣的⽓孔⽤泡棉或者打胶等⽅式隔离。
- Mic 拾音孔朝向和 Speaker 发生孔朝向不要在同一侧平面,角度最好为 90 度及以上。
- 喇叭发声孔和麦克风拾音口距离尽可能远,条件允许的话建议 100 mm 以上。
- ⻨克⻛与设备外壳之间也可以加硅胶套或泡棉等进⾏密封和防震。
PCB Layout
- 电源走线尽量短、粗,环路尽量小;模组主电源上如果穿层至少两个 12mil 过孔(内径)。
- 电源尽量以覆铜形式,散热注意多打地孔,注意单线电流承载能力,T3-V-PRO 模块最大电流按 1 A 设计。线宽对应值:表层 1 oz 铜厚为例,20 mil 线宽对应 1 A(不考虑温升)。
- 模块音频输出信号 SPK+ 和 SPK- 需要走差分线并整组包地,走线尽量短。线宽根据输出峰值电流进行计算,建议至少 30 mil。
- Mic 需差分走线并整组包地,走线尽量短,建议线宽 8 mil 以上。
烧录
- 主控芯片烧录需要连接 VBAT、GND、TX0、RX0、RST。
- 语音芯片烧录需要连接 VBAT、GND、CI_TX0、CI_RX0、CI_PWR(3.3V)。
相关文档