更新时间:2025-10-20 09:04:00下载pdf
本文介绍了非保活 Wi-Fi 图传门锁的硬件设计参考。Wi-Fi 门锁主要采用的模型型号有 WBRU、WBR1、WBR1-IPEX、WBR3,本文主要介绍 WBRU 和 WBR1。

特性:
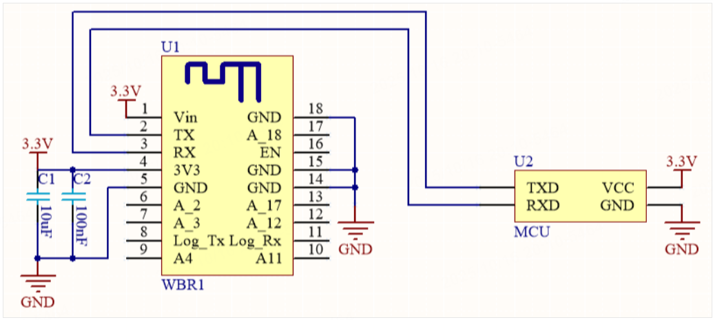
原理图设计:

原理图设计注意事项:WBR1 的 Wi-Fi 模组接口在门锁的应用上主要是电源(3V3)和通信串口 UART(用户串口),门锁使用设计时,需要重点注意对模组的电源进行控制,选取低 Iq 的 LDO(如 SGM2040)或者 DCDC;在待机状态时,为了保证低功耗,需要对 Wi-Fi 的电源实现关断。
引脚接口说明:WBR1 的引脚说明可查看 WBR1 模组规格书
涂鸦 Wi-Fi 模组应用在门锁上时,需要注意门锁的金属结构件对天线射频性能的影响,前期的结构 ID 设计就需要重点考虑天线的位置和整体结构对天线的射频性能的影响。
模组可以选择的天线方式是板载 PCB 天线和 IPEX 外接天线。
如果结构允许,可以保证板载天线贴在门锁的非金属外壳,考虑使用贴片的模组,天线的 PCB 布局尽量参考下图。
保证天线下方的区域没有基板介质,周围没有铺铜的影响。近距离的铜皮会影响天线的谐振点,同时过近的基板介质会降低天线辐射效率。



上述几种方案的核心要点是要确保:
印制天线正下方或者正上方没有基板介质和门锁的金属结构件。
印制天线的周围远离金属铜皮,这样可以在最大程度上保证天线的辐射效果。
由于模组板载天线性能有限,建议在条件允许下,优先选用外接天线。
对于门锁的 Wi-Fi 模组,最佳的方式是使用 IPEX 外接天线,方便天线放置在最佳的位置,远离金属件的干扰,如门内电池盒子、门外触摸亚克力面板、门内复位按键等。
为了让 FPC 天线的固定,可以选择粘贴在非金属壳,或者使用天线支架,具体参考以下应用案例:

该内容对您有帮助吗?
是意见反馈该内容对您有帮助吗?
是意见反馈