E2-U is a Matter over Thread module developed by Tuya Smart. It consists of a highly integrated radio frequency processor chip, E2, and a few peripheral components, with a built-in 802.15.4 PHY/MAC Thread protocol stack and various library functions.
E2-U comes with a low-power 32-bit ARM Cortex®-M33 CPU core, 4 MB of flash memory, 288 KB of SRAM, and configurable GPIOs that can function as digital peripherals for various applications. This module integrates all Thread MAC and TCP/IP libraries. All these resources can help develop your own Matter products.
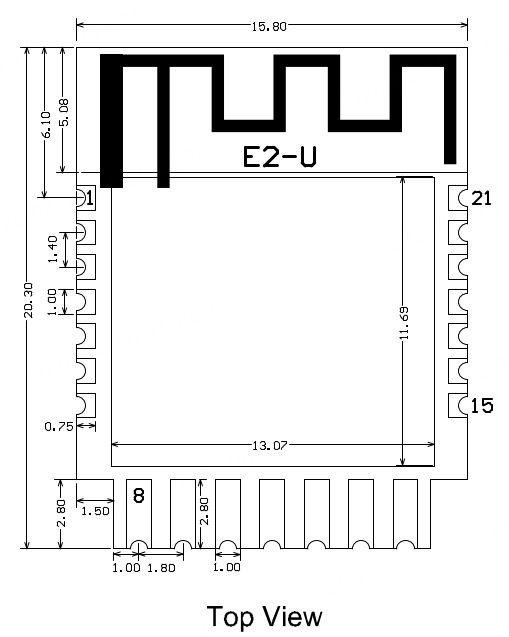
E2-U has three rows of pins with a 1.4±0.1 mm pin spacing.
The E2-U dimensions are 20.3±0.35 mm (L) × 15.8±0.35 mm (W) × 2.5±0.15 mm (H).
The figure below shows the dimensions of the E2-U module.
| Pin No. | Symbol | I/O type | Feature |
|---|---|---|---|
| 1 | P30 | I/O | GPIO pin, corresponding to GPIO 30 on the IC. |
| 2 | P29 | I/O | GPIO pin, corresponding to GPIO 29 on the IC. |
| 3 | P11 | I/O | GPIO pin, corresponding to GPIO 11 on the IC, supporting SWDIO. |
| 4 | P10 | I/O | GPIO pin, corresponding to GPIO 10 on the IC, supporting SWCLK. |
| 5 | ADC | I/O | ADC pin, corresponding to GPIO 22 on the IC. |
| 6 | RX1 | I/O | UART_RX1, corresponding to GPIO 21 on the IC. |
| 7 | TX1 | I/O | UART_TX1, corresponding to GPIO 20 on the IC. |
| 8 | P15 | I/O | Support hardware PWM, corresponding to GPIO 15 on the IC. |
| 9 | P14 | I/O | Support hardware PWM, corresponding to GPIO 14 on the IC. |
| 10 | P9 | I/O | Support hardware PWM, corresponding to GPIO 9 on the IC. |
| 11 | P8 | I/O | Support hardware PWM, corresponding to GPIO 8 on the IC. |
| 12 | P7 | I/O | Support hardware PWM, corresponding to GPIO 7 on the IC. |
| 13 | GND | P | Ground pin. |
| 14 | 3V3 | P | Power supply pin (3.3V). |
| 15 | TX0 | I/O | UART_TX0, corresponding to GPIO 17 on the IC. |
| 16 | RX0 | I/O | UART_RX0, corresponding to GPIO 16 on the IC. |
| 17 | P6 | I/O | GPIO pin, corresponding to GPIO 6 on the IC. |
| 18 | RST | I/O | Reset pin. Active low. |
| 19 | P23 | I/O | GPIO pin, corresponding to GPIO 23 on the IC. |
| 20 | P2 | I/O | GPIO pin, corresponding to GPIO 2 on the IC. |
| 21 | P0 | I/O | GPIO pin, corresponding to GPIO 0 on the IC. |
P indicates the power pin, and I/O indicates the input and output pin.
| Parameter | Description | Minimum value | Maximum value | Unit |
|---|---|---|---|---|
| Ta | Operating temperature | -40 | 105 | °C |
| VBAT | Supply voltage | 1.8V (2.8 V or above recommended) | 3.6 | V |
| Electrostatic discharge voltage (human body model) | TAMB-25°C | - | 2 | kV |
| Electrostatic discharge voltage (machine model) | TAMB-25°C | - | 0.5 | kV |
| Parameter | Description | Minimum value | Typical value | Maximum value | Unit |
|---|---|---|---|---|---|
| Ta | Operating temperature | -40 | - | 105 | °C |
| VCC | Operating voltage | 1.8V (2.8 V or above recommended) | 3.3 | 3.6 | V |
| I/O drive current | VDDIO = 3.3 V gpio_drv_sel = 0 |
- | 6 | - | mA |
| VIL | I/O low-level input | - | - | VDDIO × 0.3 | V |
| VIH | I/O high-level input | VDDIO × 0.7 | - | - | V |
| VOL | I/O low-level output | - | - | VDDIO × 0.2 | V |
| VOH | I/O high-level output | VDDIO × 0.8 | - | - | V |
| Work state | Mode | Rate | Transmit/Receive power | Average value | Peak (Typical) value | Unit |
|---|---|---|---|---|---|---|
| Transmit | - | 250 Kbit/s | +0 dBm | 32 | 43 | mA |
| Transmit | - | 250 Kbit/s | +10 dBm | 49 | 65 | mA |
| Transmit | - | 250 Kbit/s | +13 dBm | 69 | 97 | mA |
| Receive | - | 250 Kbit/s | Continuous reception | 13 | 15 | mA |
The above reference data is based on non-signaling mode with a duty cycle of 99%.
| Operating mode | Status (Ta = 25°C) | Average value | Max (Typical) value | Unit |
|---|---|---|---|---|
| Pairing in EZ mode | The module is being paired in EZ mode. | 17 | 105 | mA |
| Connected | The module is connected to the internet and working. | 19 | 105 | mA |
| Connected | The module is connected to the network and idle. | 16 | 99 | mA |
| Deep sleep mode | The module is in deep sleep mode (32 KB SRAM reserved) | 5 | - | μA |
The above data is based on the module being powered by a DC regulated power supply at 3.3V, utilizing the Tuya firmware keyhar5y73xvsgxe v1.0.8. For the same firmware, test results might vary slightly due to differences in the specific module and power supply used.
| Thread parameter | Description |
|---|---|
| Operating frequency | 2.405 to 2.480 GHz |
| Thread standard | IEEE 802.15.4 |
| Data transmission rate | 250 Kbit/s |
| Antenna type | PCB antenna with a gain of -1.04 dBi |
| Bluetooth parameter | Description |
|---|---|
| Operating frequency | 2.4 GHz ISM band |
| Wireless standard | Bluetooth LE 5.3 |
| Data transmission rate | 1 Mbit/s and 2 Mbit/s |
| Antenna type | Onboard PCB antenna with a gain of -1.04 dBi |
Continuous transmission performance
| Parameter | Minimum value | Typical value | Maximum value | Unit |
|---|---|---|---|---|
| Maximum output power (250 Kbit/s) | - | 13 | - | dBm |
| Maximum output power (LE 1 Mbit/s and 2 Mbit/s) | - | 10 | - | dBm |
| Minimum output power (250 Kbit/s, 1 Mbit/s, and 2 Mbit/s) | - | -20 | - | dBm |
| Output power adjustment step | - | 0.5 | 1 | dBm |
| Adjacent channel interference suppression of output spectrum | - | -31 | - | dBc |
| Frequency error | -10 | - | 10 | ppm |
RX sensitivity
| Parameter | Minimum value | Typical value | Maximum value | Unit |
|---|---|---|---|---|
| PER ≤ 1%, RX sensitivity (250 Kbit/s) | -101 | -100 | -99 | dBm |
| PER ≤ 30.8%, RX sensitivity (LE 1 Mbit/s) | -97 | -96 | -95 | dBm |
| PER ≤ 30.8%, RX sensitivity (LE 2 Mbit/s) | –94 | –93 | -92 | dBm |

Only PCB antenna applies.
When a PCB antenna is used on an IEEE 802.15.4 module, we recommend that the module antenna is at least 15 mm away from other metal components. This can optimize the RF performance.
Make sure that the enclosure surrounding the antenna is not traced or filled with copper. Otherwise, the RF performance might be degraded.

The PCB dimensions are 20.3±0.35 mm (L) × 15.8±0.35 mm (W) × 1±0.1 mm (H).

The area indicated as keep-out in the diagram above does not require tinning and should not have any traces routed through it.
For the modules that can be packaged with the surface-mount technology (SMT) or in in-line form, you can select either of them according to the PCB design solutions of customers. If a PCB is designed to be SMT-packaged, package the module with the SMT. If a PCB is designed to use an in-line package, use wave soldering. Complete soldering within 24 hours after the module is unpacked. Otherwise, we recommend that you place the module in a drying cupboard with a relative humidity level below 10%, or pack the module in vacuum again. Then, record the packing time and duration of exposure. The total exposure time cannot exceed 168 hours.
A delivered module must meet the following storage requirements:
The moisture-proof bag must be placed in an environment where the temperature is below 40°C and the relative humidity is lower than 90%.
The shelf life of a dry-packaged product is 12 months from the date when the product is packaged and sealed.
A humidity indication card (HIC) is put in the sealed package.
The module needs to be baked in the following cases:
The baking parameter settings are described below:
In the whole production process, take electrostatic discharge (ESD) protective measures.
To guarantee the pass rate, we recommend that you use the SPI and AOI to monitor the quality of solder paste printing and mounting.
Select a proper soldering technique according to the process. For more information, refer to the recommended oven temperature curve of either reflow soldering or wave soldering. The set temperatures might deviate from the actual temperature measurements. All temperatures shown in this module datasheet are obtained through actual measurements.
Technique 1: SMT process (recommended oven temperature curve of reflow soldering)
Set the oven temperatures according to the following curve.

The curve above is based on solder paste SAC305. For more information about other solder pastes, see the recommended oven temperature curve in the specified solder paste specifications.
Technique 2: Wave soldering process (oven temperature curve of wave soldering)
Set the oven temperatures according to the following temperature curve of wave soldering. The peak temperature is 260°C±5°C.
| Suggestions on wave soldering | Suggestions on manual repair soldering | ||
|---|---|---|---|
| Preheat temperature | 80°C to 130°C | Soldering temperature | 360°C ± 20°C |
| Preheat duration | 75s to 100s | Soldering duration | Less than 3s/point |
| Contact duration at the peak | 3s to 5s | N/A | N/A |
| Solder tank temperature | 260°C ± 5°C | N/A | N/A |
| Ramp-up slope | ≤ 2°C/s | N/A | N/A |
| Ramp-down slope | ≤ 6°C/s | N/A | N/A |
| Product model | MOQ (pcs) | Shipping packaging | Modules per reel | Reels per carton |
|---|---|---|---|---|
| E2-U | 4,400 | Tape and reel | 1,100 | 4 |
FCC Caution: Any changes or modifications not expressly approved by the party responsible for compliance could void the user’s authority to operate this device.
This device complies with Part 15 of the FCC Rules. Operation is subject to the following two conditions: (1) This device may not cause harmful interference, and (2) this device must accept any interference received, including interference that may cause undesired operation.
Note: This device has been tested and found to comply with the limits for a Class B digital device, according to part 15 of the FCC Rules. These limits are designed to provide reasonable protection against harmful interference in a residential installation. This device generates, uses, and can radiate radio frequency energy and, if not installed and used following the instructions, may cause harmful interference to radio communications. However, there is no guarantee that interference will not occur in a particular installation.
If this device does cause harmful interference to radio or television reception, which can be determined by turning the device off and on, the user is encouraged to try to correct the interference by one or more of the following measures:
Radiation Exposure Statement
This device complies with FCC radiation exposure limits set forth for an uncontrolled rolled environment. This device should be installed and operated with a minimum distance of 20cm between the radiator and your body.
Important Note
This radio module must not be installed to co-locate and operate simultaneously with other radios in the host system except following FCC multi-transmitter product procedures. Additional testing and device authorization may be required to operate simultaneously with other radios.
The availability of some specific channels and/or operational frequency bands are country dependent and are firmware programmed at the factory to match the intended destination. The firmware setting is not accessible by the end-user.
The host product manufacturer is responsible for compliance with any other FCC rules that apply to the host not covered by the modular transmitter grant of certification. The final host product still requires Part 15 Subpart B compliance testing with the modular transmitter installed.
The end-user manual shall include all required regulatory information/warnings as shown in this manual, including "This product must be installed and operated with a minimum distance of 20 cm between the radiator and user body".
This device has got an FCC ID: 2ANDL-E2U. The end product must be labeled in a visible area with the following: "Contains Transmitter Module FCC ID: 2ANDL-E2U".
This device is intended only for OEM integrators under the following conditions:
The antenna must be installed such that 20cm is maintained between the antenna and users, and the transmitter module may not be co-located with any other transmitter or antenna.
As long as the 2 conditions above are met, further transmitter tests will not be required. However, the OEM integrator is still responsible for testing their end-product for any additional compliance requirements required with this module installed.
Declaration of Conformity European Notice

Hereby, Hangzhou Tuya Information Technology Co., Ltd declares that this module product is in compliance with essential requirements and other relevant provisions of Directive 2014/53/EU,2011/65/EU. A copy of the Declaration of conformity can be found at https://www.tuya.com.

This product must not be disposed of as normal household waste, in accordance with the EU directive for waste electrical and electronic equipment (WEEE-2012/19/EU). Instead, it should be disposed of by returning it to the point of sale, or to a municipal recycling collection point.
The device could be used with a separation distance of 20cm from the human body.
Is this page helpful?
YesFeedbackIs this page helpful?
YesFeedback