T5-AI Voice Box

Last Updated on : 2026-01-26 09:49:16Copy for LLMView as MarkdownDownload PDF

Tuya T5-AI (T5AI-EVB) is a voice interaction AI box based on the T5-E1, an embedded Wi-Fi and Bluetooth low energy combo module developed by Tuya Smart. The AI ​​box is equipped with one microphone, one audio loopback, one speaker, an LCD, and lithium battery charging management in hardware. Support major AI models including Doubao, DeepSeek, Qwen, OpenAI, and Gemini, featuring button wake-up, wake-word activation, and free conversation capabilities. This AI box delivers vivid and engaging AI voice interaction experiences, making it ideally suited for AI smart toys and similar products.

T5-AI Voice Box

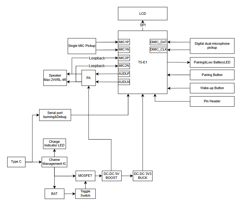
Functional block diagram

T5-AI Voice Box

Peripherals

Peripheral Description
T5-E1 module An embedded Wi-Fi and Bluetooth combo module used to control the AI box. With rich peripheral interfaces and powerful signal processing capabilities, this module is suitable for various scenarios in the AIoT field.
I/O connector 2 × 10 pin headers with 2.54 mm pitch, suitable for flashing and other configurations. For more information about the pins, refer to the I/O connector description section.
I/O button Connected to P12 and P04 of the T5-E1 module, it can be configured as a button.
Speaker The speaker connector has a 1.25 mm pitch and can drive speakers up to 2W/RL=4Ω.
I/O LED Connected to P08 of the T5-E1 module, it can be configured as an LED indicator.
USB type-C Charging port to charge the battery.
BAT Battery connector with a 1.25 mm pitch.
Mic1 The microphone connector, with a 1.25 mm pitch, connects to the module’s audio ADC.
LCD The screen connector, with a 2.54 mm pitch, connects to the module’s SPI0.
Power LED Charging status indicator.
Switch Toggle switch to turn the power on and off.

I/O connector description

T5-AI Voice Box T5-AI Voice Box

Recommended I/O configuration of SPI LCD

Pin Definition
P44 SPI0_SCK
P46 SPI0_MOSI
P18 LCD_RET_N
P47 LCD_DC
P45 LCD_CSN
P19 LCD_BL_ON
P17 LCD_PWR_ON

Things to note

Antenna clearance

  • Do not use metal shells or plastic shells with metallic painting or coating in the direction of the antenna radiation. Do not use metal objects such as screws and rivets near the antenna, which might affect the antenna efficiency.
  • Try to increase the distance from the top shell to the antenna to minimize the impact on antenna performance.
  • Try to increase the distance from the upper and bottom shells to the antenna to minimize the impact on antenna performance.
  • Keep the module away from speakers, power switches, cameras, HDMI, USB, and other high-speed signals to avoid interference.
  • Avoid metal shielding near the antenna. If co-channel interference occurs, you must evaluate the impact on the antenna performance and ensure isolation from interference.

Antenna placement

  • Horizontal placement
    We recommend that you place the module at the edge of the backplane with the antenna facing outward, and flush the module’s GND terminal with the backplane’s GND terminal. Both terminals are fully connected.
  • Embedded placement
    Embed the module into the backplane through a slot that is flush with or deeper than the module’s GND terminal. The side of the slot must be 15 mm or farther from the module’s board edge. A wider slot can help achieve better performance, but it is weaker than that of horizontal placement.
  • Vertical placement
    Insert the module vertically into the backplane slot with the antenna facing upward. The module’s GND terminal and the backplane’s GND terminal must be fully connected. We recommend that you keep a clearance distance of 15 mm or more around the antenna.

Selection and design solutions of the microphone and speaker

  • Microphone selection

    • Acoustic technical indicators reference:
      • Analog microphone: Sensitivity ≥ -38 dBV, SNR ≥ 62 dB, THD ≤ 1%, and AOP ≥ 120 dB SPL.
      • Digital microphone: Sensitivity = -26±2 dBFS, SNR ≥ 62 dB, THD ≤ 1%, and AOP ≥ 120 dB SPL.
    • Recommend prioritizing MEMS microphones (superior SNR, consistency, and reliability).
    • The frequency response of the microphone should be kept as flat as possible within the range of 100 Hz to 8 kHz, with a fluctuation of ≤ 3 dB.
    • Phase consistency shall be ≤ 5° within the 100 Hz to 4 kHz frequency range, and ≤ 10° within the 4 kHz to 8 kHz frequency range.
  • Speaker selection

    • Total harmonic distortion (THD) of the speaker:
      • 100 Hz to 200 Hz: THD < 8%.
      • 200 Hz to 400 Hz: THD < 5%.
      • 400 Hz to 8 kHz: THD < 3%.
  • Audio loopback and PA design guidelines

    • The echo reference signal should be sampled near the speaker, taken from the PA output.
    • At maximum speaker volume, the echo reference signal input to the microphone must not saturate or distort. PA output THD at maximum volume shall be ≤ 1% within the 100 Hz to 10 kHz range.
    • THD of the speaker at maximum volume:
      • 100 Hz to 200 Hz: THD < 8%.
      • 200 Hz to 400 Hz: THD < 5%.
      • 400 Hz to 8 kHz: THD < 3%.
    • At maximum volume, the sound pressure level (SPL) at the microphone must not exceed 102 dB @1 kHz.
    • During peak playback, the loopback signal level should be between -3 dB and -6 dB.
  • AEC effect verification

    • Dump 3 channels of audio (1 channel microphone, AFE loopback, and audio after AEC), then use audio tool software to check whether the audio has saturation, data loss, and other issues.
  • Microphone cavity design

    • The inner diameter (ID) of the microphone pickup hole on the housing shall be > 0.8 mm.
    • The hole length should be as short as possible while the diameter should be as large as possible, with an aspect ratio (diameter to depth) ≥ 1:3.
    • The microphone must be kept away from interference sources (such as cooling fans) or vibration sources (such as speaker vibrations or structural vibrations). Moreover, the microphone is sealed with a silicone cover and a solid surface to reduce the housing vibration and sound transmission.
    • Choose the softest possible silicone sleeve to minimize vibration between the microphone and mold.
    • Avoid front cavity designs where both ends are smaller than the middle section to prevent forming resonant chambers.
  • Microphone and speaker layout considerations

    • The entire device cavity must maintain proper sealing to ensure microphone recording remains unaffected by internal speaker playback vibrations and echo feedback.
    • The speaker must have an independent acoustic chamber, with complete isolation from the microphone chamber. Any structural gaps should be sealed with foam or adhesive.
    • The microphone pickup hole and speaker output ports should not face the same plane – ideally oriented at 90° or greater relative to each other.
    • Maximize the distance between the speaker output and the microphone input. A minimum 100 mm separation is recommended where possible.
    • Silicone gaskets or foam can be applied between the microphone and device housing to enhance sealing and vibration damping.

Flash firmware

  • For firmware flashing, you need to connect 3.3V, GND, TX0, and RX0 pins.
  • When a reset prompt appears, you need to power off and restart the device.

PCB layout

  • Ensure power traces are short and wide, with minimal loops, and provide at least two 8 mil (inner diameter) vias or one 12 mil (inner diameter) via for main IC power pins.
  • For power traces, use copper pours whenever possible and add sufficient ground vias for heat dissipation. Pay attention to the current-carrying capacity of single traces.
    Trace width reference (1 oz copper, outer layer): 20 mil width corresponds to 1A (without considering temperature rise).
  • The power amplifier IC output lines require differential routing, with coupled traces fully ground-guarded. Trace width should be calculated based on peak output current, and routing should be kept as short as possible.
  • The module’s audio output signals AUDLP and AUDLN must be routed as differential pairs and fully ground-guarded.
  • The microphone signals must be routed as differential pairs and fully ground-guarded, with a minimum trace width of 8 mil.

Reference