T3AI-V is a voice module developed by Tuya Smart. It consists of a highly integrated radio frequency and voice SoC chip, T3AI, supporting combo Wi-Fi and Bluetooth Low Energy (LE) protocols.
T3AI-V is a Wi-Fi AI module that supports voice control. It integrates the Tuya AI platform, enables interaction through voice, and connects to major AI platforms via the Tuya AI Agent. It supports large language models such as Doubao, DeepSeek, Qwen, OpenAI, and Gemini. It features button wake-up, wake-word activation, and free talk capabilities, providing users with a vivid and engaging AI voice interaction experience. It is suitable for smart products in voice interaction scenarios.
The T3AI-V dimensions are 18±0.35 mm (W) × 30.2±0.35 mm (L) × 3.0±0.15 mm (H). The figure below shows the dimensions of the T3AI-V module.
| Pin No. | Symbol | I/O type | Description |
|---|---|---|---|
| 1 | GND | P | Ground pin. |
| 2 | P21 | I/O |
|
| 3 | RST | I | Reset pin. |
| 4 | P0 | I/O | Logging port, corresponding to Log TX on T3AI. |
| 5 | P1 | I/O | Logging port, corresponding to Log RX on T3AI. |
| 6 | P22 | I/O |
|
| 7 | TX0 | I/O | Firmware flashing port, corresponding to P11 on T3AI. |
| 8 | RX0 | I/O | Firmware flashing port, corresponding to P10 on T3AI. |
| 9 | P2 | I/O |
|
| 10 | P3 | I/O |
|
| 11 | P4 | I/O |
|
| 12 | P5 | I/O |
|
| 13 | P6 | I/O |
|
| 14 | P7 | I/O |
|
| 15 | VBAT | P | Power pin. |
| 16 | NC | - | NC |
| 17 | P20 | I/O |
|
| 18 | P26 | I/O |
|
| 19 | GND | P | Analog ground pin. |
| 20 | MICN1 | AI | Negative input of microphone 1. |
| 21 | MICP1 | AI | Positive input of microphone 1. |
| 22 | MICP2 | AI | Positive input of microphone 2. |
| 23 | MICN2 | AI | Negative input of microphone 2. |
| 24 | AUDP | AO | Positive output of audio. |
| 25 | AUDN | AO | Negative output of audio. |
| 26 | GND | P | Ground pin. |
| 27 | P27 | I/O |
|
| 28 | P41 | I/O |
|
| 29 | P40 | I/O |
|
| 30 | P42 | I/O |
|
| 31 | P43 | I/O |
|
| 32 | MBIAS | AO | Microphone bias voltage. |
| 33 | P15 | I/O |
|
| 34 | P17 | I/O |
|
| 35 | P14 | I/O |
|
| 36 | P16 | I/O |
|
| 37 | P18 | I/O |
|
| 38 | P25 | I/O |
|
| 39 | P19 | I/O |
|
| 40 | P23 | I/O |
|
| 41 | P24 | I/O |
|
| 42 | GND | P | Ground pin. |
P indicates the power pin, and I/O indicates the input and output pin.| Parameter | Description | Minimum value | Maximum value | Unit |
|---|---|---|---|---|
| Ts | Storage temperature | -55 | 125 | °C |
| VBAT | Supply voltage | -0.3 | 3.9 | V |
| Electrostatic discharge voltage (human body model) | TAMB -25°C | -4 | 4 | kV |
| Electrostatic discharge voltage (machine model) | TAMB -25°C | -200 | 200 | V |
| Parameter | Description | Minimum value | Typical value | Maximum value | Unit |
|---|---|---|---|---|---|
| Ta | Operating temperature | -40 | - | 85 | °C |
| VBAT | Supply voltage | 2.5 | 3.3 | 3.6 | V |
| VOL | I/O low-level output | VSS | - | VSS + 0.3 | V |
| VOH | I/O high-level output | VBAT − 0.3 | - | VBAT | V |
| Imax | I/O drive current | - | 6 | 20 | mA |
| Operating status | Mode | Rate | Transmit/Receive power | Average value | Peak (Typical) value | Unit |
|---|---|---|---|---|---|---|
| Transmit | 11 b | 11 Mbit/s | +17 dBm | 230 | 310 | mA |
| Transmit | 11 g | 54 Mbit/s | +15 dBm | 210 | 280 | mA |
| Transmit | 11 n | HT20 MCS7 | +14 dBm | 210 | 260 | mA |
| Transmit | 11 ax | HE20 MCS7 | +14 dBm | 200 | 255 | mA |
| Receive | 11 b | 11 Mbit/s | Continuous reception | 27 | 32 | mA |
| Receive | 11 g | 54 Mbit/s | Continuous reception | 27 | 32 | mA |
| Receive | 11 n | HT20 MCS7 | Continuous reception | 27 | 32 | mA |
| Receive | 11 ax | HE20 MCS7 | Continuous reception | 27 | 32 | mA |
| Operating mode | Status (Ta = 25°C) | Average value | Max (Typical) value | Unit |
|---|---|---|---|---|
| Pairing over Bluetooth | The module is pairing over Bluetooth. The network status indicator blinks slowly. | 75 | 360 | mA |
| Pairing over AP | The module is pairing in AP mode. The network status indicator blinks slowly. | 105 | 370 | mA |
| Connected | The module is connected to the cloud. The network status indicator is steady on. | 45 | 300 | mA |
| Weakly connected | The connection between the module and the access point is intermittent. The network status indicator is steady on. | 135 | 360 | mA |
| Disconnected | The module is disconnected from the cloud. The network status indicator is steady off. | 47 | 320 | mA |
| Module disabled | The module’s clock enable (CEN) pin is pulled down. | 330 | - | μA |
| Parameter | Description |
|---|---|
| Operating frequency | 2.412 to 2.484 GHz |
| Wi-Fi standard | IEEE 802.11b/g/n/ax (channels 1–14) |
| Data transmission rate |
|
| Antenna type | PCB antenna |
| Parameter | Minimum value | Typical value | Maximum value | Unit |
|---|---|---|---|---|
| RF average output power, 802.11b CCK mode, 11 Mbit/s | - | 17 | - | dBm |
| RF average output power, 802.11g OFDM mode, 54 Mbit/s | - | 15 | - | dBm |
| RF average output power, 802.11n OFDM mode, HT20 MCS7 | - | 14 | - | dBm |
| RF average output power, 802.11n OFDM mode, HT40 MCS7 | - | 13 | - | dBm |
| RF average output power, 802.11ax OFDMA mode, HE20 MCS7 | - | 14 | - | dBm |
| RF average output power, 802.11ax OFDMA mode, HE40 MCS7 | - | 13 | - | dBm |
| Frequency error | -20 | - | 20 | ppm |
Under the extreme operating conditions of high/low temperature and high/low voltage, the EVM indicators will degrade compared with those under normal temperature and pressure.
| Parameter | Minimum value | Typical value | Maximum value | Unit |
|---|---|---|---|---|
| PER < 8%, RX sensitivity, 802.11b DSSS mode, 11 Mbit/s | - | -89 | - | dBm |
| PER < 10%, RX sensitivity, 802.11g OFDM mode, 54 Mbit/s | - | -76 | - | dBm |
| PER < 10%, RX sensitivity, 802.11n OFDM mode, MCS7 (HT20) | - | -74 | - | dBm |
| PER < 10%, RX sensitivity, Bluetooth LE, 1 Mbit/s | - | -96 | - | dBm |
| Parameter | Minimum value | Typical value | Maximum value | Unit |
|---|---|---|---|---|
| Operating frequency | 2402 | - | 2480 | MHz |
| Transmission rate over the air | - | 1 | - | Mbit/s |
| Transmission power | -20 | 7 | 20 | dBm |
| Frequency error | -150 | - | 150 | kHz |
| Parameter | Minimum value | Typical value | Maximum value | Unit |
|---|---|---|---|---|
| RX sensitivity | - | -96 | - | dBm |
| Max RF signal input | -10 | - | - | dBm |
| Intermodulation | - | - | -23 | dBm |
| Co-channel rejection ratio | - | 10 | - | dB |
The T3AI-V module uses an onboard PCB antenna.
When a PCB antenna is used on a Wi-Fi module, we recommend that the module antenna is at least 15 mm away from other metal components. This can optimize the Wi-Fi performance.
Make sure that the enclosure surrounding the antenna is not traced or filled with copper. Otherwise, the RF performance might be degraded.
Dimensions of the T3AI-V PCB are 18±0.35 mm (W) × 30.2±0.35 mm (L) × 0.8±0.1 mm (H). The figure below shows the dimensions of the T3AI-V module.
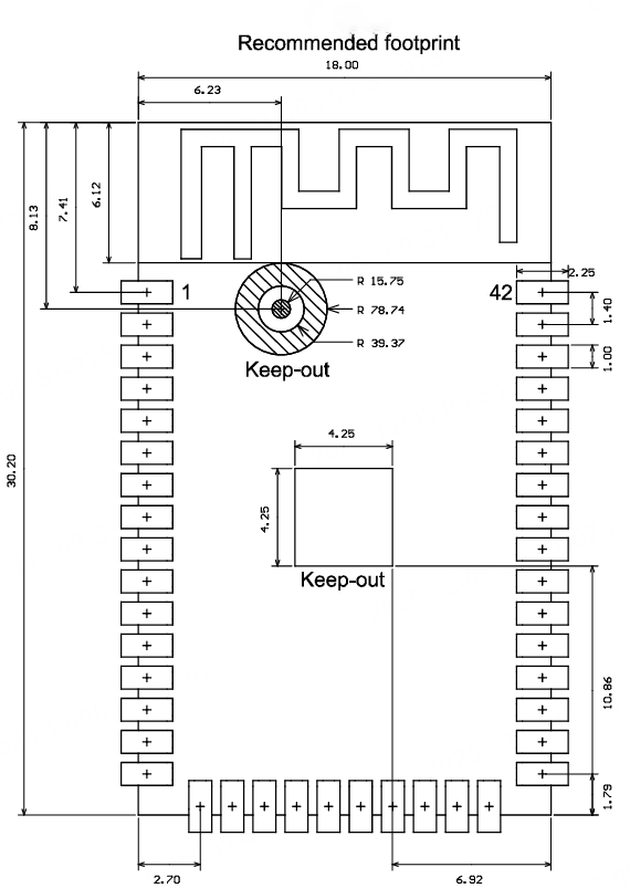
The figure below shows the recommended footprint of the T3AI-V module.
The area indicated as keep-out in the diagram above does not require tinning and should not have any traces routed through it.
For the modules that can be packaged with the surface-mount technology (SMT) or in in-line form, you can select either of them according to the PCB design solutions of customers. If a PCB is designed to be SMT-packaged, package the module with the SMT. If a PCB is designed to use an in-line package, use wave soldering. Complete soldering within 24 hours after the module is unpacked. Otherwise, we recommend that you place the module in a drying cupboard with a relative humidity level below 10%, or pack the module in vacuum again. Then, record the packing time and duration of exposure. The total exposure time cannot exceed 168 hours.
A delivered module must meet the following storage requirements:
The moisture-proof bag must be placed in an environment where the temperature is below 40°C and the relative humidity is lower than 90%.
The shelf life of a dry-packaged product is 12 months from the date when the product is packaged and sealed.
A humidity indication card (HIC) is put in the sealed package.
The module needs to be baked in the following cases:
The baking parameter settings are described below:
In the whole production process, take electrostatic discharge (ESD) protective measures.
To guarantee the pass rate, we recommend that you use the SPI and AOI to monitor the quality of solder paste printing and mounting.
Set the temperature according to the oven temperature curve of reflow soldering. The peak temperature is 245℃, and the reflow soldering temperature profile is shown in the figure below:

The curve above is based on solder paste SAC305. For more information about other solder pastes, see the recommended oven temperature curve in the specified solder paste specifications.
| Product model | MOQ (pcs) | Shipping packaging | Modules per reel | Reels per carton |
|---|---|---|---|---|
| T3AI-V | 3,600 | Tape and reel | 900 | 4 |
This equipment has been tested and found to comply with the limits for a Class B digital device, pursuant to part 15 of the FCC Rules. These limits are designed to provide reasonable protection against harmful interference in a residential installation. This equipment generates, uses, and can radiate radio frequency energy and, if not installed and used in accordance with the instructions, may cause harmful interference to radio communications. However, there is no guarantee that interference will not occur in a particular installation. If this equipment does cause harmful interference to radio or television reception, which can be determined by turning the equipment off and on, the user is encouraged to try to correct the interference by one or more of the following measures:
FCC Caution: Any changes or modifications not expressly approved by the party responsible for compliance could void the user’s authority to operate this device.
This device complies with Part 15 of the FCC Rules. Operation is subject to the following two conditions: (1) This device may not cause harmful interference, and (2) this device must accept any interference received, including interference that may cause undesired operation.
2.2 List of applicable FCC rules
This module has been tested and found to comply with Part 15C, Section 15.247 requirements for Modular Approval.
2.3 Specific Operational Use Conditions- Antenna Placement Within the Host Platform
The module is tested for standalone mobile RF exposure use condition.
2.4 Limited Module Procedures
Not applicable
2.5 Trace Antenna Designs
Not applicable
2.6 RF Exposure Considerations
This device complies with fcc radiation exposure limits set forth for an uncontrolled environment. This equipment should be installed and operated with minimum distance 20cm between the radiator & your body.
2.7 Antenna Type and Gain
The following antennas have been certified for use with this module. Only antennas of the same type with equal or lower gain may also be used with this module. Other types of antennas and/or higher gain antennas may require the additional authorization for operation.
Antenna Specification list below:
| Antenna Type | Antenna Model No. | Maximum Antenna Gain (dBi) | Frequency Range |
|---|---|---|---|
| PCB Antenna | T3AI-V Antenna | 2.56 dBi | 2402~2480 MHz |
2.8 End Product Labeling:
This transmitter module is authorized only for use in device. The final end product must be labeled in a visible area with the following: “Contains Transmitter Module FCC ID: 2ANDL-T3AIV” Or “Contains FCC ID: 2ANDL-T3AIV”. The grantee’s FCC ID can be used only when all FCC compliance requirements are met. The end product shall bear the following 15.19 statement: This device complies with part 15 of the FCC Rules. Operation is subject to the following two conditions:
(1) This device may not cause harmful interference, and
(2) This device must accept any interference received, including interference that may cause undesired operation.
2.9 Information on Test Modes and Additional Testing Requirements
The module is tested for standalone mobile RF exposure use condition. Any other usage conditions such as co-location with other transmitter(s) or being used in a portable condition will need a separate reassessment through a class Il permissive change application or new certification.
Host manufacturer installed this modular with single modular approval should perform the test of radiated emission and spurious emission according to FCC part 15C, 15.209, 15.207 requirement, only if the test result comply with FCC part 15C 15.209,15.207 requirement, then the host can be sold legally.
2.10 Additional testing, Part 15 Subpart B Disclaimer
This transmitter modular us tested as a subsystem and its certification does not cover the FCC Part 15 Subpart B rules requirement applicable to the final host. The final host will still need to be reassessed for compliance to this portion of rules requirements if applicable.
As long as all conditions above are met, further transmitter test will not be required. However, the OEM integrator is still responsible for testing their end-product for any additional compliance requirements required with this modular installed.
2.11 Manual Information to the End User:
The OEM integrator has to be aware not to provide information to the end user regarding how to install or remove this RF module in the User Manual of the end product which integrates this module. The end user manual shall include all required regulatory information/warning as show in this manual.
The host integrator must follow the integration instructions provided in this document and ensure that the composite-system end product complies with the requirements by a technical assessment or evaluation to the rules and to KDB Publication 996369.
The host integrator installing this module into their product must ensure that the final composite product complies with the requirements by a technical assessment or evaluation to the rules, including the transmitter operation and should refer to guidance in KDB 996369.
OEM/Host Manufacturer Responsibilities:
Manufacturers are ultimately responsible for the compliance of the Host and Module. The final product must be reassessed against all the essential requirements of the FCC rule such as FCC Part 15 Subpart B before it can be placed on the US market. This includes reassessing the transmitter module for compliance with the Radio and EMF essential requirements of the FCC rules. The module must not be incorporated into any other device or system without retesting for compliance as multi-radio and combined equipment.
2.12 How to Mike Changes-Important Note:
In the event that these conditions can‘t be met (for example Certain laptop configurations or co-location with another transmitter), then the FCC authorization is no longer considered valid and the FCC ID can‘t be used on the final product. In these circumstances, the integrator will be responsible for reevaluating the end product (including the transmitter) and obtaining a separate FCC authorization.
Declaration of Conformity European Notice
Hereby, Hangzhou Tuya Information Technology Co., Ltd declares that this module product is in compliance with essential requirements and other relevant provisions of Directive 2014/53/EU,2011/65/EU. A copy of the Declaration of conformity can be found at https://www.tuya.com.
This product must not be disposed of as normal household waste, in accordance with the EU directive for waste electrical and electronic equipment (WEEE-2012/19/EU). Instead, it should be disposed of by returning it to the point of sale, or to a municipal recycling collection point.
The device could be used with a separation distance of 20cm to the human body.
ISED Statement
This device complies with Innovation, Science and Economic Development Canada’s licence-exempt RSSs. Operation is subject to the following two conditions:
(1) This device may not cause interference.
(2) This device must accept any interference, including interference that may cause undesired operation of the device.
Le présent appareil est conforme aux CNR d’Innovation, Sciences et Développement économique Canada applicables aux appareils radio exempts de licence. L’exploitation est autorisée aux deux conditions suivantes:
(1) l’appareil ne doit pas produire de brouillage.
(2) l’utilisateur de l’appareil doit accepter tout brouillage radioélectrique sub i, même si le brouillage est susceptible d’en compromettre le fonctionnement.
Radiation Exposure Statement
This equipment complies with IC radiation exposure limits set forth for an uncontrolled environment. This equipment should be installed and operated with minimum distance 20 cm between the radiator & your body.
Déclaration d’exposition aux radiations:
Cet équipement est conforme aux limites d’exposition aux rayonnements ISED établies pour un environnement non contrôlé. Cet équipement doit être installé et utilisé avec un minimum de 20 cm de distance entre la source de rayonnement et votre corps.
L’appareil peut interrompre automatiquement la transmission en cas d’absence d’informations à transmettre ou de panne opé rationnelle. Notez que ceci n’est pas destiné à interdire la transmission d’informations de contrôle ou de signalisation ou l’utilisation de codes répétitifs lorsque cela est requis par la technologie.
This device is intended only for OEM integrators under the following conditions:
(1) The antenna must be installed such that 20 cm is maintained between the antenna and users.
(2) The transmitter module may not be co-located with any other transmitter or antenna. As long as 2 conditions above are met, further transmitter test will not be required.
However, the OEM integrator is still responsible for testing their end-product for any additional compliance requirements required with this module installed.
Cet appareil est conçu uniquement pour les intégrateurs OEM dans les conditions
suivantes: (Pour utilisation de dispositif module)
(1) L’antenne doit être installée de telle sorte qu’une distance de 20 cm est respectée entre l’antenne et les utilisateurs.
(2) Le module émetteur peut ne pas être coïmplanté avec un autre é metteur ou antenne.
Tant que les 2 conditions ci-dessus sont remplies, des essais supplé mentaires sur l’émetteur neseront pas nécessaires. Toutefois, l’intégrateur OEM est toujours responsable des essais sur son produit final pour toutes exigences de conformité supplémentaires requis pour ce module installé.
IMPORTANT NOTE:
In the event that these conditions can not be met (for example certain laptop configurations or colocation with another transmitter), then the Canada authorization is no longer considered valid and the IC ID can not be used on the final product. In these circumstances, the OEM integrator will be responsible for re-evaluating the end product (including the transmitter) and obtaining a separate Canada authorization.
NOTE IMPORTANTE:
Dans le cas où ces conditions ne peuvent être satisfaites (par exemple pour certaines configurations d’ordinateur mobile ou de certaines co-localisation avec un autre émetteur), l’autorisation du Canada n’est plus considéré comme valide et l’ID IC ne peut pas être utilisé sur le produit final. Dans ces circonstances, l’intégrateur OEM sera chargé de réévaluer le produit final (y compris l’émetteur) et l’obtention d’une autorisation distincte au Canada.
End Product Labeling
This transmitter module is authorized only for use in device where the antenna may be installed such that 20 cm may be maintained between the antenna and users. The final end product must be labeled in a visible area with the following: “Contains IC:23243-T3AIV” .
Plaque signalétique du produit final
Ce module émetteur est autorisé uniquement pour une utilisation dans un dispositif où l’antenne peut être installée de telle sorte qu’une distance de 20cm peut être maintenue entre l’antenne et les utilisateurs. Le produit final doit être étiqueté dans un endroit visible avec l’inscription suivante: “Contient des IC:23243-T3AIV”.
Manual Information To the End User
The OEM integrator has to be aware not to provide information to the end user regarding how to install or remove this RF module in the user’s manual of the end product which integrates this module.
The end user manual shall include all required regulatory information/warning as show in this manual.
Manuel d’information à l’utilisateur final
L’intégrateur OEM doit être conscient de ne pas fournir des informations à l’utilisateur final quant à la façon d’installer ou de supprimer ce module RF dans le manuel de l’utilisateur du produit final qui intègre ce module.
Le manuel de l’utilisateur final doit inclure toutes les informations réglementaires requises et avertissements comme indiqué dans ce manuel.
Is this page helpful?
YesFeedbackIs this page helpful?
YesFeedback