Last Updated on : 2026-01-27 03:24:00download
T7-U module is a Wi-Fi and Bluetooth Low Energy (LE) combo dual-band Wi-Fi 6 module developed by Tuya Smart. It consists of a highly integrated RF chip T7 and a few peripheral components, with built-in Wi-Fi and Bluetooth network protocol stacks and various library functions.
The module is built around a low-power Armv8-MC1 MCU with 512 KB SRAM, built-in 4 MB flash memory, and various peripheral resources.
T7-U is a real-time operating system (RTOS), integrated with all Wi-Fi MAC and TCP/IP libraries. All these resources can help you develop your own embedded Wi-Fi products.
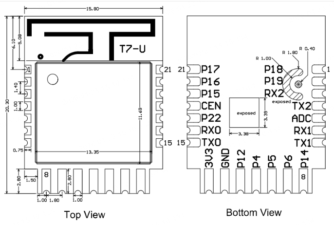
T7-U has three rows of pins. The pin spacing is 1.4 mm on both sides and 1.8 mm at the bottom.
The T7-U dimensions are 15.8±0.35 mm (W) × 20.3±0.35 mm (L) × 2.6±0.15 mm (H).
The figure below shows the dimensions of the T7-U module.
| Pin | Symbol | I/O type | Features |
|---|---|---|---|
| 1 | P18 | I/O | GPIO_18. A GPIO that can be reused as SPI_SCK, corresponding to Pin 40 on the IC. |
| 2 | P19 | I/O | GPIO_19. A GPIO that can be reused as SPI_MOSI, corresponding to Pin 1 on the IC. |
| 3 | RX2 | I/O | GPIO_20. A GPIO that can be reused as the UART2_RXD for serial communication, corresponding to Pin 2 on the IC. |
| 4 | TX2 | I/O | GPIO_21. A GPIO that can be reused as the UART2_TXD for serial communication, corresponding to Pin 3 on the IC. |
| 5 | ADC | I/O | GPIO_7, with ADC feature and 0-3.3V input voltage range, corresponding to Pin 16 on the IC. |
| 6 | RX1 | I/O | GPIO_0, which can be reused as the UART1_Log_RXD pin to receive logs. It can be configured as a normal GPIO, corresponding to Pin 21 on the IC. |
| 7 | TX1 | I/O | GPIO_1, which can be reused as the UART1_Log_TXD pin to send logs. After pulling it low, it will enter ATE mode when powered on. It can be configured as a normal GPIO, corresponding to Pin 20 on the IC. |
| 8 | P14 | I/O | GPIO_14, which supports hardware PWM, corresponding to Pin 36 on the IC. |
| 9 | P6 | I/O | GPIO_6, which supports hardware PWM, corresponding to Pin 17 on the IC. |
| 10 | P5 | I/O | GPIO_5, which supports hardware PWM, corresponding to Pin 18 on the IC. |
| 11 | P4 | I/O | GPIO_4, which supports hardware PWM, corresponding to Pin 19 on the IC. |
| 12 | P12 | I/O | GPIO_12, which supports hardware PWM, corresponding to Pin 26 on the IC. |
| 13 | GND | P | Ground pin. |
| 14 | 3V3 | P | Power supply pin (3.3 V). |
| 15 | TX0 | I/O | GPIO_11, which can be reused as the UART0_TXD pin for serial communication and firmware flashing, corresponding to Pin 25 on the IC. |
| 16 | RX0 | I/O | GPIO_10, which can be reused as the UART0_RXD pin for serial communication and firmware flashing, corresponding to Pin 24 on the IC. |
| 17 | P22 | I/O | GPIO_22, a GPIO pin, corresponding to Pin 28 on the IC. |
| 18 | CEN | I/O | The enable pin that is active low. The module has pulled up the high level, and users can control this pin externally. |
| 19 | P15 | I/O | GPIO_15, a GPIO pin, corresponding to Pin 37 on the IC. |
| 20 | P16 | I/O | GPIO_16. A GPIO that can be reused as SPI_MISO, corresponding to Pin 38 on the IC. |
| 21 | P17 | I/O | GPIO_17. A GPIO that can be reused as SPI_CS, corresponding to Pin 39 on the IC. |
P indicates the power pin, and I/O indicates the input and output pin.
| Parameter | Description | Minimum value | Maximum value | Unit |
|---|---|---|---|---|
| Ts | Storage temperature | -40 | 125 | °C |
| VBAT | Supply voltage | 2.2 | 3.6 | V |
| Electrostatic discharge voltage (human body model) | TAMB -25°C | - | 2 | kV |
| Electrostatic discharge voltage (machine model) | TAMB -25°C | - | 0.5 | kV |
| Parameter | Description | Minimum value | Typical value | Maximum value | Unit |
|---|---|---|---|---|---|
| Ta | Operating temperature | -40 | - | 105 | °C |
| VBAT | Supply voltage | 2.2 | 3.3 | 3.6 | V |
| VIL | I/O low-level input | -0.3 | - | 0.3 VIO | V |
| VIH | I/O high-level input | 0.7 VIO | - | VIO + 0.3 | V |
| VOL | I/O low-level output | - | - | 0.1 VIO | V |
| VOH | I/O high-level output | 0.8 VIO | - | - | V |
| Imax | I/O drive current | - | - | 12 | mA |
2.4 GHz transmission and reception
| Operating status | Mode | Rate | Transmit/Receive power | Typical value | Unit |
|---|---|---|---|---|---|
| Transmit | 802.11b | 1 Mbit/s | +18 dBm | 250 | mA |
| Transmit | 802.11b | 11 Mbit/s | +18 dBm | 258 | mA |
| Transmit | 802.11g | 6 Mbit/s | +17 dBm | 253 | mA |
| Transmit | 802.11g | 54 Mbit/s | +16 dBm | 230 | mA |
| Transmit | 802.11n-HT20 | MCS0 | +16 dBm | 250 | mA |
| Transmit | 802.11n-HT20 | MCS7 | +15 dBm | 215 | mA |
| Transmit | 802.11n-HT40 | MCS0 | +13 dBm | 257 | mA |
| Transmit | 802.11n-HT40 | MCS7 | +12 dBm | 230 | mA |
| Transmit | 802.11ax-HE20 | MCS0 | +13 dBm | 245 | mA |
| Transmit | 802.11ax-HE20 | MCS7 | +12 dBm | 220 | mA |
| Receive | 802.11b | 1 Mbit/s | Continuous reception | 41 | mA |
| Receive | 802.11b | 11 Mbit/s | Continuous reception | 41 | mA |
| Receive | 802.11g | 6 Mbit/s | Continuous reception | 41 | mA |
| Receive | 802.11g | 54 Mbit/s | Continuous reception | 41 | mA |
| Receive | 802.11n-HT20 | MCS0 | Continuous reception | 41 | mA |
| Receive | 802.11n-HT20 | MCS7 | Continuous reception | 41 | mA |
| Receive | 802.11n-HT40 | MCS0 | Continuous reception | 44 | mA |
| Receive | 802.11n-HT40 | MCS7 | Continuous reception | 44 | mA |
| Receive | 802.11ax-HE20 | MCS0 | Continuous reception | 41 | mA |
| Receive | 802.11ax-HE20 | MCS7 | Continuous reception | 41 | mA |
5 GHz transmission and reception
| Operating status | Mode | Rate | Transmit/Receive power | Typical value | Unit |
|---|---|---|---|---|---|
| Transmit | 802.11a | 6 Mbit/s | +16 dBm | 340 | mA |
| Transmit | 802.11a | 54 Mbit/s | +15 dBm | 308 | mA |
| Transmit | 802.11n-HT20 | MCS0 | +15 dBm | 345 | mA |
| Transmit | 802.11n-HT20 | MCS7 | +14 dBm | 297 | mA |
| Transmit | 802.11n-HT40 | MCS0 | +13 dBm | 342 | mA |
| Transmit | 802.11n-HT40 | MCS7 | +12 dBm | 294 | mA |
| Transmit | 802.11ac-VHT20 | MCS0 | +13 dBm | 345 | mA |
| Transmit | 802.11ac-VHT20 | MCS7 | +12 dBm | 297 | mA |
| Transmit | 802.11ax-HE20 | MCS0 | +13 dBm | 345 | mA |
| Transmit | 802.11ax-HE20 | MCS7 | +12 dBm | 297 | mA |
| Receive | 802.11a | 6 Mbit/s | Continuous reception | 45 | mA |
| Receive | 802.11a | 54 Mbit/s | Continuous reception | 45 | mA |
| Receive | 802.11n-HT20 | MCS0 | Continuous reception | 45 | mA |
| Receive | 802.11n-HT20 | MCS7 | Continuous reception | 45 | mA |
| Receive | 802.11n-HT40 | MCS0 | Continuous reception | 47 | mA |
| Receive | 802.11n-HT40 | MCS7 | Continuous reception | 47 | mA |
| Receive | 802.11ac-VHT20 | MCS0 | Continuous reception | 45 | mA |
| Receive | 802.11ac-VHT20 | MCS7 | Continuous reception | 45 | mA |
| Receive | 802.11ax-HE20 | MCS0 | Continuous reception | 45 | mA |
| Receive | 802.11ax-HE20 | MCS7 | Continuous reception | 45 | mA |
The above data is based on the module being powered by a DC regulated power supply at 3.3V and operating in continuous transmission mode with a 100% duty cycle. The test data varies slightly between different modules.
| Operating mode | Status (Ta = 25°C) | Average value | Max (Typical) value | Unit |
|---|---|---|---|---|
| Pairing over AP | The module is in Wi-Fi Easy Connect (EZ) mode. The Wi-Fi network status indicator blinks slowly. | 48.7 | 486 | mA |
| Pairing over Bluetooth | The module is pairing over Bluetooth. The network status indicator blinks quickly. | 45.2 | 480 | mA |
| Connected and idle mode | The module is connected to the cloud. The network status indicator is steady on. | 41.7 | 472 | mA |
| Connected and operating mode | The module is connected to the cloud. The network status indicator is steady on. | 42.8 | 460 | mA |
| Weakly connected mode | The module is operating in a weak wireless signal network. The network status indicator is steady off. | 49.5 | 468 | mA |
| Disconnected mode | The module is disconnected from the cloud. The network status indicator is steady off. | 45.6 | 478 | mA |
| Router powered off | The module is in a state where the router is powered off and disconnected from the internet. The network status indicator is steady off. | 45.4 | 459 | mA |
The above data is based on the module being powered by a DC regulated power supply at 3.3V, utilizing the Tuya general firmware v1.0.1. The test data varies slightly between different modules using the same firmware.
| Parameter | Description |
|---|---|
| Operating frequency | 2.412 to 2.484 GHz (Ch1-11 for US/CA and Ch1-13 for EU/CN), 5.180 to 5.825 GHz |
| Wi-Fi standard | IEEE 802.11a/b/g/n/ac/ax (Ch1-11 for US/CA, Ch1-13 for EU/CN, Channels 36-177) |
| Bluetooth standard | Bluetooth LE 5.4 |
| Data transmission rate |
|
| Antenna type | Onboard PCB antenna with a gain of 0.88 dBi at 2.4 GHz, and 1.53 dBi at 5 GHz. |
2.4 GHz continuous transmission performance
| Parameter | Minimum value | Typical value | Maximum value | Unit |
|---|---|---|---|---|
| RF average output power, 802.11b CCK mode, 1 Mbit/s | - | 18 | - | dBm |
| RF average output power, 802.11b CCK mode, 11 Mbit/s | - | 18 | - | dBm |
| RF average output power, 802.11g OFDM mode, 6 Mbit/s | - | 17 | - | dBm |
| RF average output power, 802.11g OFDM mode, 54 Mbit/s | - | 16 | - | dBm |
| RF average output power, 802.11n HT20 mode, MCS0 | - | 16 | - | dBm |
| RF average output power, 802.11n HT20 mode, MCS7 | - | 15 | - | dBm |
| RF average output power, 802.11n HT40 mode, MCS0 | - | 13 | - | dBm |
| RF average output power, 802.11n HT40 mode, MCS7 | - | 12 | - | dBm |
| RF average output power, 802.11ax HE20 mode, MCS0 | - | 13 | - | dBm |
| RF average output power, 802.11ax HE20 mode, MCS7 | - | 12 | - | dBm |
| RF average output power, Bluetooth LE 5.4, 1 Mbit/s and 2 Mbit/s | - | 6.5 | - | dBm |
| Frequency error | -10 | - | 10 | ppm |
5 GHz continuous transmission performance
| Parameter | Minimum value | Typical value | Maximum value | Unit |
|---|---|---|---|---|
| RF average output power, 5G-802.11a mode, 6 Mbit/s | - | 16 | - | dBm |
| RF average output power, 5G-802.11a mode, 54 Mbit/s | - | 15 | - | dBm |
| RF average output power, 5G-802.11n HT20 mode, MCS0 | - | 15 | - | dBm |
| RF average output power, 5G-802.11n HT20 mode, MCS7 | - | 14 | - | dBm |
| RF average output power, 5G-802.11n HT40 mode, MCS0 | - | 13 | - | dBm |
| RF average output power, 5G-802.11n HT40 mode, MCS7 | - | 12 | - | dBm |
| RF average output power, 5G-802.11ac VHT20 mode, MCS0 | - | 13 | - | dBm |
| RF average output power, 5G-802.11ac VHT20 mode, MCS7 | - | 12 | - | dBm |
| RF average output power, 5G-802.11ax HE20 mode, MCS0 | - | 13 | - | dBm |
| RF average output power, 5G-802.11ax HE20 mode, MCS7 | - | 12 | - | dBm |
| Frequency error | -10 | - | 10 | ppm |
RX sensitivity
| Parameter | Minimum value | Typical value | Maximum value | Unit |
|---|---|---|---|---|
| PER < 8%, RX sensitivity, 802.11b CCK mode, 1 Mbit/s | - | -98 | - | dBm |
| PER < 8%, RX sensitivity, 802.11b CCK mode, 11 Mbit/s | - | -89 | - | dBm |
| PER < 10%, RX sensitivity, 802.11g OFDM mode, 6 Mbit/s | - | -92 | - | dBm |
| PER < 10%, RX sensitivity, 802.11g OFDM mode, 54 Mbit/s | - | -76 | - | dBm |
| PER < 10%, RX sensitivity, 802.11n mode, HT20-MCS0 | - | -92 | - | dBm |
| PER < 10%, RX sensitivity, 802.11n mode, HT20-MCS7 | - | -75 | - | dBm |
| PER < 10%, RX sensitivity, 802.11n mode, HT40-MCS0 | - | -88 | - | dBm |
| PER < 10%, RX sensitivity, 802.11n mode, HT40-MCS7 | - | -72 | - | dBm |
| PER < 10%, RX sensitivity, 802.11ax mode, HE20-MCS0 | - | -92 | - | dBm |
| PER < 10%, RX sensitivity, 802.11ax mode, HE20-MCS7 | - | -73 | - | dBm |
| PER < 10%, RX sensitivity, 5G-802.11a OFDM mode, 6 Mbit/s | - | -92 | - | dBm |
| PER < 10%, RX sensitivity, 5G-802.11a OFDM mode, 54 Mbit/s | - | -76 | - | dBm |
| PER < 10%, RX sensitivity, 5G-802.11n mode, HT20-MCS0 | - | -92 | - | dBm |
| PER < 10%, RX sensitivity, 5G-802.11n mode, HT20-MCS7 | - | -74 | - | dBm |
| PER < 10%, RX sensitivity, 5G-802.11n mode, HT40-MCS0 | - | -87 | - | dBm |
| PER < 10%, RX sensitivity, 5G-802.11n mode, HT40-MCS7 | - | -72 | - | dBm |
| PER < 10%, RX sensitivity, 5G-802.11ac mode, VHT20-MCS0 | - | -91 | - | dBm |
| PER < 10%, RX sensitivity, 5G-802.11ac mode, VHT20-MCS7 | - | -72 | - | dBm |
| PER < 10%, RX sensitivity, 5G-802.11ax mode, HE20-MCS0 | - | -91 | - | dBm |
| PER < 10%, RX sensitivity, 5G-802.11ax mode, HE20-MCS7 | - | -71 | - | dBm |
| PER < 30.8%, RX sensitivity, Bluetooth 5.4, 1 Mbit/s | - | -93 | - | dBm |
| PER < 30.8%, RX sensitivity, Bluetooth 5.4, 2 Mbit/s | - | -90 | - | dBm |
Only PCB antenna applies.
When a PCB antenna is used on a Wi-Fi module, we recommend that the module antenna is at least 15 mm away from other metal components. This can optimize the Wi-Fi performance.
Make sure that the enclosure surrounding the antenna is not traced or filled with copper. Otherwise, the RF performance might be degraded.
Layout principles: No substrate medium exists directly below or above the PCB antenna. The PCB antenna is away from the copper sheet. This can maximize the radiation effect of the antenna.

Refer to the mechanical dimensions below for the module’s PCB onboard antenna area.
The T7-U module’s PCB dimensions are 15.8±0.35 mm (W) × 20.3±0.35 mm (L) × 1.0±0.1 mm (H).
The figure below shows the mechanical dimensions of T7-U.
The default tolerance of the dimensions is ±0.35 mm. If you have special requirements for key dimensions, specify them in the datasheet after consultations.
Pin configuration of the T7-U module:
PCB footprint of the T7-U module:
The area indicated as keep-out in the diagram above does not require tinning and should not have any traces routed through it.
For the modules that can be packaged with the surface-mount technology (SMT) or in in-line form, you can select either of them according to the PCB design solutions of customers. If a PCB is designed to be SMT-packaged, package the module with the SMT. If a PCB is designed to use an in-line package, use wave soldering. Complete soldering within 24 hours after the module is unpacked. Otherwise, we recommend that you place the module in a drying cupboard with a relative humidity level below 10%, or pack the module in vacuum again. Then, record the packing time and duration of exposure. The total exposure time cannot exceed 168 hours.
A delivered module must meet the following storage requirements:
The moisture-proof bag must be placed in an environment where the temperature is below 40°C and the relative humidity is lower than 90%.
The shelf life of a dry-packaged product is 12 months from the date when the product is packaged and sealed.
A humidity indication card (HIC) is put in the sealed package.

The module needs to be baked in the following cases:
The baking parameter settings are described below:
In the whole production process, take electrostatic discharge (ESD) protective measures.
To guarantee the pass rate, we recommend that you use the SPI and AOI to monitor the quality of solder paste printing and mounting.
Select a proper soldering technique according to the process. For more information, refer to the recommended oven temperature curve of either reflow soldering or wave soldering. The set temperatures might deviate from the actual temperature measurements. All temperatures shown in this module datasheet are obtained through actual measurements.
Technique 1: SMT process (recommended oven temperature curve of reflow soldering)
Set the oven temperatures according to the following curve.
The curve above is based on solder paste SAC305. For more information about other solder pastes, see the recommended oven temperature curve in the specified solder paste specifications.
Technique 2: Wave soldering process (oven temperature curve of wave soldering)
Set the oven temperatures according to the following temperature curve of wave soldering. The peak temperature is 260°C±5°C.
| Suggestions on wave soldering | Suggestions on manual repair soldering | ||
|---|---|---|---|
| Preheat temperature | 80°C to 130°C | Soldering temperature | 360°C ± 20°C |
| Preheat duration | 75s to 100s | Soldering duration | Less than 3s/point |
| Contact duration at the peak | 3s to 5s | N/A | N/A |
| Solder tank temperature | 260°C ± 5°C | N/A | N/A |
| Ramp-up slope | ≤ 2°C/s | N/A | N/A |
| Ramp-down slope | ≤ 6°C/s | N/A | N/A |
| Product model | MOQ (pcs) | Shipping packaging | Modules per reel | Reels per carton |
|---|---|---|---|---|
| T7-U | 4,400 | Tape and reel | 1,100 | 4 |
Important Notice to OEM integrators
Important Note
Notice that any deviation(s) from the defined parameters of the antenna trace, as described by the
instructions, require that the host product manufacturer must notify to Tuya that they wish to change the antenna trace design. In this case, a Class II permissive change application is required to be filed by the TUYA, or the host manufacturer can take responsibility through the change in FCC ID (new application) procedure followed by a Class II permissive change application.
End Product Labeling
When the module is installed in the host device, the FCC label must be visible through a window on the final device or it must be visible when an access panel, door or cover is easily re-moved. If not, a second label must be placed on the outside of the final device that contains the following text: “Contains FCC ID: 2ANDL-T7U” .
The FCC ID can be used only when all FCC compliance requirements are met.
Antenna Installation
(1) The antenna must be installed such that 20 cm is maintained between the antenna and users,
(2) The transmitter module may not be co-located with any other transmitter or antenna.
(3) Only antennas of the same type and with equal or less gains as shown below may be used with this module. Other types of antennas and/or higher gain antennas may require additional authorization for operation.
| Antenna type | BT/Wlan 2.4G | UNII-1 | UNII-2 | UNII-2C | UNII-3 |
|---|---|---|---|---|---|
| PCB | 0.88dBi | -0.34dBi | 0.12dBi | 1.53dBi | 1.07dBi |
In the event that these conditions cannot be met (for example certain laptop configurations or co-location with another transmitter), then the FCC authorization is no longer considered valid and the FCC ID cannot be used on the final product. In these circumstances, the OEM integrator will be responsible for re-evaluating the end product (including the transmitter) and obtaining a separate FCC authorization.
Manual Information to the End User
The OEM integrator has to be aware not to provide information to the end user regarding how to install or remove this RF module in the user’s manual of the end product which integrates this module. The end user manual shall include all required regulatory information/warning as show in this manual.
Federal Communication Commission Interference Statement
This device complies with Part 15 of the FCC Rules. Operation is subject to the following two conditions: (1) This device may not cause harmful interference, and (2) this device must accept any interference received, including interference that may cause undesired operation.
This equipment has been tested and found to comply with the limits for a Class B digital device, pursuant to Part 15 of the FCC Rules. These limits are designed to provide reasonable protection against harmful interference in a residential installation. This equipment generates, uses and can radiate radio frequency energy and, if not installed and used in accordance with the instructions, may cause harmful interference to radio communications. However, there is no guarantee that interference will not occur in a particular installation. If this equipment does cause harmful interference to radio or television reception, which can be determined by turning the equipment off and on, the user is encouraged to try to correct the interference by one of the following measures:
Any changes or modifications not expressly approved by the party responsible for compliance could void the user’s authority to operate this equipment. This transmitter must not be co-located or operating in conjunction with any other antenna or transmitter.
List of applicable FCC rules
This module has been tested and found to comply with part 15 requirements for Modular Approval.
The modular transmitter is only FCC authorized for the specific rule parts (i.e., FCC transmitter
rules) listed on the grant, and that the host product manufacturer is responsible for compliance to
any other FCC rules that apply to the host not covered by the modular transmitter grant of
certification. If the grantee markets their product as being Part 15 Subpart B compliant (when it also
contains unintentional-radiator digital circuity), then the grantee shall provide a notice stating that
the final host product still requires Part 15 Subpart B compliance testing with the modular
transmitter installed.
This device is intended only for OEM integrators under the following conditions: (For module device use)
Radiation Exposure Statement
This equipment complies with FCC radiation exposure limits set forth for an uncontrolled environment. This equipment should be installed and operated with minimum distance 20 cm between the radiator & your body.
Is this page helpful?
YesFeedbackIs this page helpful?
YesFeedback