Last Updated on : 2025-12-29 09:23:10download
WBRV is a low-power embedded Wi-Fi+Bluetooth voice module that Tuya has developed. It consists of a highly integrated RF chip (RTL8720CF-VU2+CI1302), with an embedded Wi-Fi network protocol stack and varied library functions.
WBRV is a Wi-Fi AI module that supports voice control. It integrates the Tuya AI platform, enables interaction through voice, and connects to major AI platforms via the Tuya AI Agent. It supports large language models such as Doubao, DeepSeek, Qwen, OpenAI, and Gemini. It features button wake-up, wake-word activation, and free talk capabilities, providing users with a vivid and engaging AI voice interaction experience. It is suitable for smart products in voice interaction scenarios.
With the maximum CPU clock rate of 100MHz, WBRV also contains a low-power KM4 microcontroller unit (MCU), WLAN MAC, a 1T1R WLAN module, 384-KB static random-access memory (SRAM), 4-MB flash memory, and extensive peripherals.
WBRV is an RTOS platform that integrates all function libraries of the Wi-Fi MAC and TCP/IP protocols. You can develop embedded Wi-Fi products as required.
As shown in the following figure, WBRV has three rows of pins and with a 1.4 mm pin spacing. The WBRV dimensions (H x W x L) are 18±0.35 mm (W)×30.2±0.35 mm (L) ×3.0±0.15 mm (H). The default dimensional tolerance is ±0.35 mm.

| Pin number | Symbol | I/O type | Function |
|---|---|---|---|
| 1 | GND | P | Power supply reference ground |
| 2 | A20 | I/O | GPIOA_20,hardware PWM,IC Pin1 |
| 3 | EN | I/O | Module enable pin, active low, has been pulled up to high level, and the user can control this pin externally |
| 4 | Log_TX | I/O | GPIOA_16,UART_Log_TX(Used for outputting serial port information), can be configured as a common GPIO |
| 5 | Log_TX | I/O | GPIOA_15,UART_Log_RX(Used for receiving serial port information), can be configured as a common GPIO |
| 6 | A17 | I/O | GPIOA_17,hardware PWM,IC Pin38 |
| 7 | TX1_5V | I/O | GPIOA_14,UART1_TXD(MCU serial port interface),5V level |
| 8 | RX1_5V | I/O | GPIOA_13,UART1_RXD(MCU serial port interface),5V level |
| 9 | A0 | I/O | GPIOA_0,General-purpose IO, pull high to enter programming mode at startup, external pull-up is not allowed,IC Pin15 |
| 10 | TX0_CI | I/O | Firmware flashing port TX0 of the audio chip |
| 11 | RX0_CI | I/O | Firmware flashing port RX0 of the audio chip |
| 12 | A1 | I/O | GPIOA_1,pull high to enter test mode at startup, external pull-up is not allowed,IC Pin16 |
| 13 | CI_PWR | P | The power control enable pin of the voice chip, active high, corresponding to A11 on RTL8720CF-VU2 |
| 14 | NC | - | NC |
| 15 | VBAT | P | Module power input pin, with a power supply range of 3.6-5.5V |
| 16 | NC | - | NC |
| 17 | NC | - | NC |
| 18 | NC | - | NC |
| 19 | AGND | P | Analog ground pin |
| 20 | MIC- | AI | Negative input of microphone |
| 21 | MIC+ | AI | Positive input of microphone |
| 22 | NC | - | NC |
| 23 | NC | - | NC |
| 24 | SPK+ | AO | Positive output of audio |
| 25 | SPK- | AO | Negative output of audio |
| 26 | GND | P | Power supply reference ground |
| 27 | NC | - | NC |
| 28 | NC | - | NC |
| 29 | NC | - | NC |
| 30 | NC | - | NC |
| 31 | CI_PA4 | I/O | For debugging purposes only. Not for customer use |
| 32 | NC | - | NC |
| 33 | A7 | I/O | GPIOA_7,A normal GPIO that can be reused as SPI_CS, corresponding to Pin 21 on the IC. |
| 34 | A10 | I/O | GPIOA_10 ,A normal GPIO that can be reused as SPI_MISO, corresponding to Pin 24 on the IC. |
| 35 | A8 | I/O | GPIOA_8 ,A normal GPIO that can be reused as SPI_SCK, corresponding to Pin 22 on the IC. |
| 36 | A9 | I/O | GPIOA_9 ,A normal GPIO that can be reused as SPI_MOSI, corresponding to Pin 23 on the IC. |
| 37 | NC | - | NC |
| 38 | MUTE | O | The enable pin for the built-in audio power amplifier. Not for customer use |
| 39 | A12 | I/O | GPIOA_12,hardware PWM,IC Pin26 |
| 40 | A19 | I/O | GPIOA_19,hardware PWM,IC Pin40 |
| 41 | A18 | I/O | GPIOA_18,hardware PWM,IC Pin39 |
| 42 | GND | P | Power supply reference ground |
Note:: P indicates power supply pins and I/O indicates input/output pins.
| Parameter | Description | Minimum value | Maximum value | Unit |
|---|---|---|---|---|
| Ts | Storagetemperature | -55 | 125 | ℃ |
| VBAT | Power supply voltage | -0.3 | 5.5 | V |
| ESD voltage (human body model) | TAMB-25℃ | - | 2 | KV |
| ESD voltage (machine model) | TAMB-25℃ | - | 0.5 | KV |
| Parameter | Description | Minimum value | Typical value | Maximum value | Unit |
|---|---|---|---|---|---|
| Ta | Working temperature | -40 | - | 85 | ℃ |
| VDD | Power supply voltage | 3.6 | - | 5.5 | V |
| VIL | I/O low-level input | - | - | 0.8 | V |
| VIH | I/O high- level input | 2.0 | - | - | V |
| VOL | I/O low-level output | - | - | 0.4 | V |
| VOH | I/O high-level output | 2.4 | - | - | V |
| Imax | I/O drive current | - | - | 16 | mA |
| Cpad | Input pin capacitance | - | 2 | - | pF |
TX power consumption:
| Symbol | Mode | Power | Average value | Peak value (Typical value) | Unit |
|---|---|---|---|---|---|
| IRF | 11b 11 Mbps | 17 dBm | 217 | 268 | mA |
| IRF | 11b 11 Mbps | 18 dBm | 231 | 283 | mA |
| IRF | 11g 54 Mbps | 15 dBm | 159 | 188 | mA |
| IRF | 11g 54 Mbps | 17.5 dBm | 177 | 213 | mA |
| IRF | 11n BW20 MCS7 | 13 dBm | 145 | 167 | mA |
| IRF | 11n BW20 MCS7 | 16.5 dBm | 165 | 193 | mA |
RX power consumption:
| Symbol | Mode | Average value | Peak value (Typical value) | Unit |
|---|---|---|---|---|
| IRF | 11B 11M | 63 | 65 | mA |
| IRF | 11G 54M | 65 | 67 | mA |
| IRF | 11N HT20 MCS7 | 65 | 67 | mA |
| Working mode | Working status, Ta = 25°C | Average value | Maximum value (Typical value) | Unit |
|---|---|---|---|---|
| Quick network connection state (Bluetooth) | The module is in the fast network connection state and the Wi-Fi indicator flashes fast | 61 | 272 | mA |
| Quick network connection state (AP) | The module is in the hotspot network connection state and the Wi-Fi indicator flashes slowly | 59 | 272 | mA |
| Quick network connection state (EZ) | The module is in the fast network connection state and the Wi-Fi indicator flashes fast | 62 | 280 | mA |
| No operation during network connection | The module is connected to the network and the Wi-Fi indicator is always on | 51 | 260 | mA |
| Operations are being performed during network connection | The module is connected to the network and the Wi-Fi indicator is always on | 59 | 268 | mA |
| Weakly connected | The module and the hotspot are weakly connected and the Wi-Fi indicator light is always on | 62 | 264 | mA |
| Disconnected | The module is in disconnected state and the Wi-Fi indicator light is always off | 57 | 268 | mA |
| Module disabled | The EN pin of the module is connected to the ground. | 1.5 | 1.6 | uA |
| Parameter | Description |
|---|---|
| Frequency range | 2.400 to 2.4835 GHz |
| Wi-Fi standard | IEEE 802.11b/g/n (channels 1 to 14) |
| Bluetooth standard | Bluetooth 5.4 |
| Data transmission rate | 11b: 1, 2, 5.5, 11 (Mbps) |
| Data transmission rate | 11g: 6, 9, 12, 18, 24, 36, 48, 54 (Mbps) |
| Data transmission rate | 11n: HT20 MC S 0 to 7 |
| Antenna type | PCB antenna with a peak gain of 1.25 dBi |
| Parameter | Minimum value | Tyical value | Maximum value | Unit |
|---|---|---|---|---|
| Average RF output power, 802.11b CCK Mode, 1 Mbit/s | - | 17.5 | - | dBm |
| Average RF output power, 802.11g OFDM mode, 54 Mbit/s | - | 14.5 | - | dBm |
| Average RF output power, 802.11n OFDM mode MCS7 | - | 13.5 | - | dBm |
| Average RF output power, Bluetooth 4.2, 1 Mbit/s | - | 6.5 | - | dBm |
| Frequency error | -20 | - | 20 | ppm |
| EVM@802.11b CCK 11 Mbps Mode 17.5 dBm | - | - | -10 | dB |
| EVM@802.11g OFDM 54 Mbps Mode 14.5 dBm | - | - | -29 | dB |
| EVM@802.11n OFDM MCS7 Mode 13.5 dBm | - | - | -30 | dB |
| Parameter | Minimum value | Typical value | Maximum value | Unit |
|---|---|---|---|---|
| PER<8%, RX sensitivity, 802.11b CCK Mode 1M | - | -97 | - | dBm |
| PER<10%, RX sensitivity, 802.11g OFDM Mode 54M | - | -75 | - | dBm |
| PER<10%, RX sensitivity, 802.11n OFDM Mode MCS7 | - | -72 | - | dBm |
| PER<10%, RX sensitivity, Bluetooth 4.2 1M | - | -93 | - | dBm |
WBRV uses an onboard PCB antenna with a peak gain of 1.25 dBi.
To ensure optimal Wi-Fi performance when the Wi-Fi module uses an onboard PCB antenna, it is recommended that the antenna be at least 15 mm away from other metal parts.
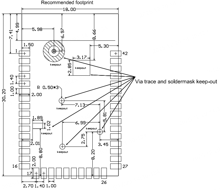
As shown in the following figure, the mechanical dimensions of the PCB of WBRV are 18±0.35 mm (W)×30.2±0.35 mm (L) ×0.8±0.1 mm (H).


Note: The default dimensional tolerance is ±0.35 mm. If you have specific requirements on dimensions, make them clear in the datasheet after communication.
The following figure is a schematic diagram of WBRV which shows how pins correspond to each other.

WBRV PCB Layout is shown as below:


The area indicated as keep-out in the diagram above does not require tinning and should not have any traces routed through it.
For the modules that can be packaged with the surface-mount technology (SMT) or in in-line form, you can select either of them according to the PCB design solutions of customers. If a PCB is designed to be SMT-packaged, package the module with the SMT. If a PCB is designed to use an in-line package, use wave soldering. Complete soldering within 24 hours after the module is unpacked. Otherwise, we recommend that you place the module in a drying cupboard with a relative humidity level below 10%, or pack the module in vacuum again. Then, record the packing time and duration of exposure. The total exposure time cannot exceed 168 hours.
A delivered module must meet the following storage requirements:
The moisture-proof bag must be placed in an environment where the temperature is below 40°C and the relative humidity is lower than 90%.
The shelf life of a dry-packaged product is 12 months from the date when the product is packaged and sealed.
A humidity indicator card (HIC) is put in the sealed package.

The module needs to be baked in the following cases:
The baking parameter settings are described below:
In the whole production process, take electrostatic discharge (ESD) protective measures.
To guarantee the pass rate, we recommend that you use the SPI and AOI to monitor the quality of solder paste printing and mounting.
Select a proper soldering technique according to the process. For more information, refer to the recommended oven temperature curve of either reflow soldering or wave soldering. The set temperatures might deviate from the actual temperature measurements. All temperatures shown in this module datasheet are obtained through actual measurements.
Technique 1: SMT process (recommended oven temperature curve of reflow soldering)
Set the oven temperatures according to the following curve.
The curve above is based on solder paste SAC305. For more information about other solder pastes, see the recommended oven temperature curve in the specified solder paste specifications.
Technique 2: Wave soldering process (oven temperature curve of wave soldering)
Set the oven temperatures according to the following temperature curve of wave soldering. The peak temperature is 260°C±5°C.
| Suggestions on wave soldering | Suggestions on manual repair soldering | ||
|---|---|---|---|
| Preheat temperature | 80°C to 130°C | Soldering temperature | 360°C ± 20°C |
| Preheat duration | 75s to 100s | Soldering duration | Less than 3s/point |
| Contact duration at the peak | 3s to 5s | N/A | N/A |
| Solder tank temperature | 260°C ± 5°C | N/A | N/A |
| Ramp-up slope | ≤ 2°C/s | N/A | N/A |
| Ramp-down slope | ≤ 6°C/s | N/A | N/A |
| Product model | MOQ (pcs) | Shipping packaging | Modules per reel | Reels per carton |
|---|---|---|---|---|
| WBRV | 4,400 | Tape and reel | 1,100 | 4 |
Important Notice to OEM integrators
This module is limited to OEM installation ONLY.
This module is limited to installation in mobile or fixed applications, according to Part 2.1091(b).
The separate approval is required for all other operating configurations, including portable configurations with respect to Part 2.1093 and different antenna configurations
For FCC Part 15.31 (h) and (k): The host manufacturer is responsible for additional testing to verify compliance as a composite system. When testing the host device for compliance with Part
15 Subpart B, the host manufacturer is required to show compliance with Part 15 Subpart B while the transmitter module(s) are installed and operating. The modules should be transmitting and the evaluation should confirm that the module’s intentional emissions are compliant (i.e. fundamental and out of band emissions). The host manufacturer must verify that there are no additional unintentional emissions other than what is permitted in Part 15 Subpart B or emissions are complaint with the transmitter(s) rule(s).
The Grantee will provide guidance to the host manufacturer for Part 15 B requirements if needed.
Important Note
Notice that any deviation(s) from the defined parameters of the antenna trace, as described by the
instructions, require that the host product manufacturer must notify to Tuya that they wish to change the antenna trace design. In this case, a Class II permissive change application is required to be filed by the TUYA, or the host manufacturer can take responsibility through the change in FCC ID (new application) procedure followed by a Class II permissive change application.
End Product Labeling
When the module is installed in the host device, the FCC label must be visible through a window on the final device or it must be visible when an access panel, door or cover is easily re-moved. If not, a second label must be placed on the outside of the final device that contains the following text: “Contains FCC ID: 2ANDL-WBRV” .
The FCC ID can be used only when all FCC compliance requirements are met.
Antenna Installation
(1) The antenna must be installed such that 20 cm is maintained between the antenna and users,
(2) The transmitter module may not be co-located with any other transmitter or antenna.
(3) Only antennas of the same type and with equal or less gains as shown below may be used with this module. Other types of antennas and/or higher gain antennas may require additional authorization for operation.
| Antenna type | BT/Wlan 2.4G |
|---|---|
| PCB | 1.25dBi |
In the event that these conditions cannot be met (for example certain laptop configurations or co-location with another transmitter), then the FCC authorization is no longer considered valid and the FCC ID cannot be used on the final product. In these circumstances, the OEM integrator will be responsible for re-evaluating the end product (including the transmitter) and obtaining a separate FCC authorization.
Manual Information to the End User
The OEM integrator has to be aware not to provide information to the end user regarding how to install or remove this RF module in the user’s manual of the end product which integrates this module. The end user manual shall include all required regulatory information/warning as show in this manual.
Federal Communication Commission Interference Statement
This device complies with Part 15 of the FCC Rules. Operation is subject to the following two conditions: (1) This device may not cause harmful interference, and (2) this device must accept any interference received, including interference that may cause undesired operation.
This equipment has been tested and found to comply with the limits for a Class B digital device, pursuant to Part 15 of the FCC Rules. These limits are designed to provide reasonable protection against harmful interference in a residential installation. This equipment generates, uses and can radiate radio frequency energy and, if not installed and used in accordance with the instructions, may cause harmful interference to radio communications. However, there is no guarantee that interference will not occur in a particular installation. If this equipment does cause harmful interference to radio or television reception, which can be determined by turning the equipment off and on, the user is encouraged to try to correct the interference by one of the following measures:
Any changes or modifications not expressly approved by the party responsible for compliance could void the user’s authority to operate this equipment. This transmitter must not be co-located or operating in conjunction with any other antenna or transmitter.
List of applicable FCC rules
This module has been tested and found to comply with part 15 requirements for Modular Approval.
The modular transmitter is only FCC authorized for the specific rule parts (i.e., FCC transmitter
rules) listed on the grant, and that the host product manufacturer is responsible for compliance to
any other FCC rules that apply to the host not covered by the modular transmitter grant of
certification. If the grantee markets their product as being Part 15 Subpart B compliant (when it also
contains unintentional-radiator digital circuity), then the grantee shall provide a notice stating that
the final host product still requires Part 15 Subpart B compliance testing with the modular
transmitter installed.
This device is intended only for OEM integrators under the following conditions: (For module device use)
Radiation Exposure Statement
This equipment complies with FCC radiation exposure limits set forth for an uncontrolled environment. This equipment should be installed and operated with minimum distance 20 cm between the radiator & your body.
Is this page helpful?
YesFeedbackIs this page helpful?
YesFeedback